说 明 :
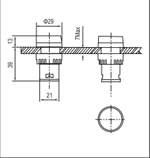
■超短型指示灯适合于安装空间较为狭小的地方;
■所有超短型指示灯均适用开孔中22; DC电源的指示灯可适用于AC电源;
■因散热条件关系,DC220V 电压建议使用长灯;
■型号一栏的图内填写颜色,目填写电压等级代码。
AD22系列
概述
AD22系列指示灯均采用高亮纯色LED发光芯片为光源,寿命长、耗能低、体积小、重量轻,是XD型各类白炽灯和氖灯指示灯 的更新换代产品。我厂相继推出的AD22-22 型、AD22-16型指示灯以高亮度高,可靠性好,造型美观和制作精巧为特点,普遍 得到广大用户的好评,为满足用户日益提高的品质和审美要求,我们又开发出AD22-22 双色灯、位置指示器、闪光蜂鸣器及超 短型指示灯,并采用了与LA31系列按钮风格相一致的外观设计,灯罩内可刻印各种国际标准符号或定制符号,灯罩采用高强度 聚碳酸酯制成,具有良好的抗冲击性能,内置螺钉式接线,更安全、方便,所有的改进都将使您的选用更方便,设计更完美。
用途
AD22系列指示灯适用于电力、电讯、机床、船舶、纺织、印刷、矿山机械等设备的线路中作指示信号、预告信号、事故信号 及其他指示用信号。
型号及含义

适用环境
■环境温度:-25℃~+55℃;
■空气相对湿度≤98%;
■在振动频率为-2-50Hz加速度为0.7g下能正常工作;
■污染等级为3级,安装类别为Ⅲ类;
■ 有“TH” 标志的能在湿热带环境下工作。
电压电流及代码对照表
电压代码 | 电源 | 电压 | 电流 |
21 | AC.DC | 6V | 15mA |
22 | 12V | 15mA |
23 | 24V | 15mA |
24 | 36V | 15mA |
25 | 48V | 15mA |
26 | 110V | 15mA |
27 | 127V | 15mA |
28 | 220V | 10mA |
29 | FD | 380V | 10mA |
30 | 500V | 10mA |
31 | AC | 220V | 15mA |
32 | 380V | 18mA |
注:电源一栏中“FD” 表示可装与电容器柜的放电灯。